Logo
Explore Help
Sign In
martin/aqhomecontrol
Public Access
1
0
Fork 0
You've already forked aqhomecontrol
Code Issues Pull Requests Packages Projects Releases Wiki Activity
Files
master
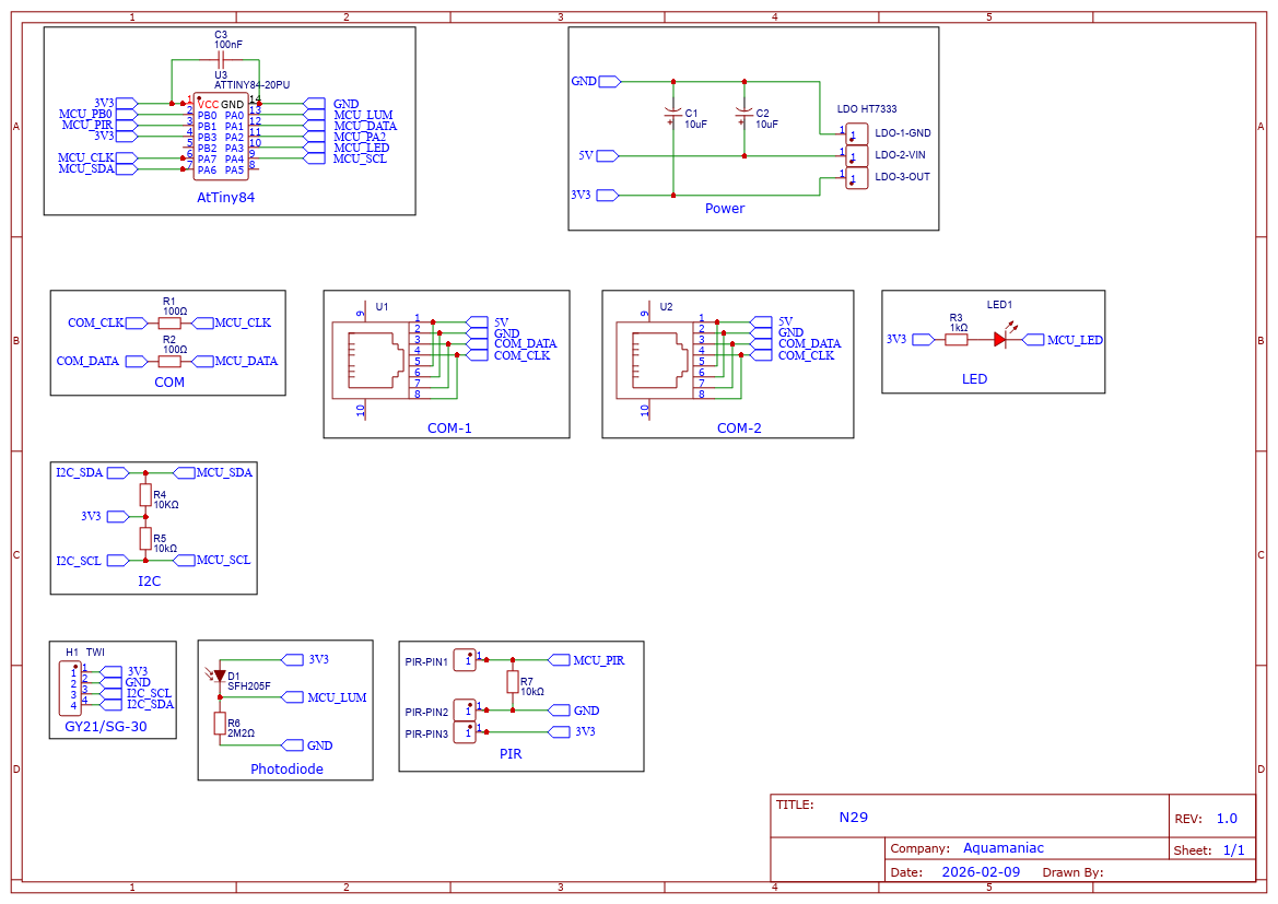
aqhomecontrol/doc/mcu-examples/n29/n29_schematic.png
Martin Preuss 66f061be80 doc: added descriptions and images for current nodes n29-n30.
2026-03-28 17:44:04 +01:00

111 KiB
1169x827px
Raw Permalink History

/martin/aqhomecontrol/raw/branch/master/doc/mcu-examples/n29/n29_schematic.png
Reference in New Issue View Git Blame Copy Permalink
Powered by Gitea Version: 1.25.2 Page: 64ms Template: 3ms
English
Bahasa Indonesia Deutsch English Español Français Gaeilge Italiano Latviešu Magyar nyelv Nederlands Polski Português de Portugal Português do Brasil Suomi Svenska Türkçe Čeština Ελληνικά Български Русский Українська فارسی മലയാളം 日本語 简体中文 繁體中文(台灣) 繁體中文(香港) 한국어
Licenses API